その他・コラム
FEATURE DETAIL
その他・コラムコラム
代表的な回路例特集
ON回路

スイッチを押すことで出力がONになり、スイッチを放すと出力がOFFする回路をON回路といいます。
上記回路の場合、PB1(スイッチ)を押している間、PL1(ランプ)が点灯し、PB1を放すと、PL1は消灯します。
上記回路の場合、PB1(スイッチ)を押している間、PL1(ランプ)が点灯し、PB1を放すと、PL1は消灯します。
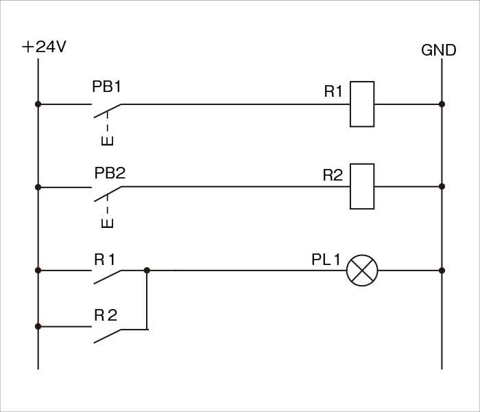
AND回路

複数のスイッチを同時に押すことで出力がONになり、いずれかのスイッチを放すと出力がOFFになる回路をAND回路といいます。
上記回路の場合、PB1(スイッチ1)とPB2(スイッチ2)を同時に押している間は、PL1(ランプ)が点灯しますが、PB1かPB2のどちらか1つだけ押した場合、PL1は点灯しません。
上記回路の場合、PB1(スイッチ1)とPB2(スイッチ2)を同時に押している間は、PL1(ランプ)が点灯しますが、PB1かPB2のどちらか1つだけ押した場合、PL1は点灯しません。
OR回路

複数のスイッチのいずれかを押すことで出力がONになり、全てのスイッチを放すと出力がOFFになる回路をOR回路といいます。
上記回路の場合、PB1(スイッチ1)とPB2(スイッチ2)どちらかを押している間は、PL1(ランプ)が点灯し、PB1とPB2を両方押した場合でも点灯します。
両方のスイッチを放すと、PL1は消灯します。
上記回路の場合、PB1(スイッチ1)とPB2(スイッチ2)どちらかを押している間は、PL1(ランプ)が点灯し、PB1とPB2を両方押した場合でも点灯します。
両方のスイッチを放すと、PL1は消灯します。
OFF回路

スイッチを押すことで出力がOFFになり、スイッチを放しても出力がOFFのままの保持される回路をOFF回路といいます。
上記回路の場合、PB1(スイッチ)を押している間は、PL1(ランプ)は消灯し、PB1を放すと点灯します。
上記回路の場合、PB1(スイッチ)を押している間は、PL1(ランプ)は消灯し、PB1を放すと点灯します。
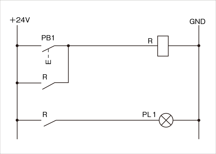
自己保持回路

スイッチを押すことで出力がONになり、スイッチを放しても出力がONのまま保持される回路を自己保持回路といいます。
上記回路の場合、PB1(スイッチ)を押すとPL1(ランプ)が点灯し、PB1を放したとしてもPL1は点灯し続けます。
<自己保持回路の仕組み>
①PB1が閉じるとAの電流が流れる。

②Rが励磁され、a接点が閉じるので、Bの電流が流れる。(PB1のバイパスとなる)

③PB1を放すとAの電流は流れなくなるが、Rにはバイパスを通って電流Bが供給されているので、
回路は動作し続ける。

上記回路の場合、PB1(スイッチ)を押すとPL1(ランプ)が点灯し、PB1を放したとしてもPL1は点灯し続けます。
<自己保持回路の仕組み>
①PB1が閉じるとAの電流が流れる。

②Rが励磁され、a接点が閉じるので、Bの電流が流れる。(PB1のバイパスとなる)

③PB1を放すとAの電流は流れなくなるが、Rにはバイパスを通って電流Bが供給されているので、
回路は動作し続ける。

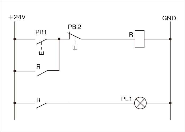
自己保持回路(解除付き)

スイッチ1を押すことで、放したとしても出力がONし続け、スイッチ2を押すことで出力がOFFになる解除付きの自己保持回路もございます。
上記回路の場合、PB1(スイッチ1)を押すとPL1(ランプ)が点灯し、PB1を放しても点灯し続けますが、PB2(スイッチ2)を押すと自己保持回路が解除され、PL1が消灯します。
上記回路の場合、PB1(スイッチ1)を押すとPL1(ランプ)が点灯し、PB1を放しても点灯し続けますが、PB2(スイッチ2)を押すと自己保持回路が解除され、PL1が消灯します。
製品カテゴリ
- 測域センサ
- 光電・レーザーセンサ
- 鉄鋼・クレーンセンサ
- 応用システム
- 光データ伝送装置
お役立ち情報