製品詳細
PRODUCT DETAIL
FHM / FH / FHV / FHL 鉄鋼センサ用ファイバ・ヘッド
鉄鋼・クレーンセンサファイバ・センサヘッド
HMD/CMD用のセンサヘッドです。ファイバ式で、エアレス フードを装備しています。
製品概要
特徴
掲載機種以外にも耐環境性に優れたセンサヘッドを
ご用意しています。 詳細は別途お問い合わせください。
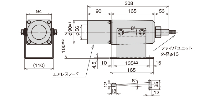
外形図
FHM-201

FHM-211-1

FHM-311

FHM-111-4

FHM-201-8W

FHM-203

エアレスフード・エアパージフード

スリットサイズ

ファイバ

特性データ
FHM-201

光の拡がり:φ40mm×距離
FHM-211-1

光の拡がり:φ20mm×距離(但し、距離2mまでの拡がりは
φ40mmです)。
FHM-311

光の拡がり:φ13.3mm×距離(但し、距離4.2mまでの拡がり
はφ56mmです)。
FHM-111-4

光の拡がり:φ20mm×距離
FHM-201-8W

光の拡がり:40×500×距離
FHM-203

光の拡がり:10×120×距離
各種ダウンロード
ダウンロードの前に
ファイルのダウンロードは会員様のみが可能です。
会員登録されていない場合は、「会員登録」ボタンより会員登録を行ってください。
既に会員の方は、下記の規約に同意いただき、「同意する」ボタンをクリックしてください。
会員登録されていない場合は、「会員登録」ボタンより会員登録を行ってください。
既に会員の方は、下記の規約に同意いただき、「同意する」ボタンをクリックしてください。
資料ダウンロード用使用許諾
弊社各種商品の製品仕様・図面資料・各種資料及びソフトウェアのダウンロードに際して、事前にご利用規約をお読みいただき、ご理解・ご同意の上でご利用いただくようお願い申し上げます。
ご同意いただけない場合、ダウンロードページへの登録・承認ができないことをご了承ください。(なお、本利用規約は予告なく変更することがございます。)
利用規約
- 知的財産権
-
- 当ウェブサイトに公開されている文章、データやソフトウェアなどのコンテンツ
(以下コンテンツという)の著作権およびその他の権利は、当社またはその供給者が有します。 - 当社が当ウェブサイトに掲載しているコンテンツの二次的利用(複製、転用、改変、解析、送信、譲渡、貸与、使用許諾、及び営業活動または営利を目的とする使用等)は、事前に承諾がない限り固く禁止いたします。各ダウンロードサイトやコンテンツに個別の使用条件を記載している場合は、それらの利用条件を本利用規約に優先させて適用させていただきます。
- 当社は当ウェブサイトによるコンテンツの提供により、コンテンツに含まれる発明、デザイン等に対する特許権、意匠権その他の知的財産権の譲渡または当該知的財産権に基づくいかなる権利の許諾を行うものではありません。
- 当ウェブサイトに公開されている文章、データやソフトウェアなどのコンテンツ
- 免責事項
-
当社は、当ウェブサイトに掲載した情報には細心の注意を払っておりますが、以下の点に責任を負うものではありません。
- 掲載された情報が常に最新版であり、適時適切に更新、または訂正されていること。
- 掲載された情報が正確で、有用で、安全であること。
- 当ウェブサイトの情報の変更、削除、公開の中断、中止等、ご利用になったことによるお客様に生じた損害。
- 当ウェブサイトの利用によって起きた一切の損害。
ダウンロード一覧
| 分類 | ファイル名 | ファイル 容量 |
更新日 | ダウンロード |
|---|---|---|---|---|
【PR2】センサヘッド 2DCAD (FHM-111-4) |
14KB |
2024-10-02 |
||
【PR2】センサヘッド 2DCAD (FHM-201) |
8KB |
2024-10-02 |
||
【PR2】センサヘッド 2DCAD (201-8WA) |
7KB |
2024-10-02 |
||
【PR2】センサヘッド 2DCAD (FHM-203) |
10KB |
2024-10-02 |
||
【PR2】センサヘッド 2DCAD (FHM-211-1) |
6KB |
2024-10-02 |
||
【PR2】センサヘッド 2DCAD (FHM-311) |
11KB |
2024-10-02 |
||
【PR2】鉄鋼センサ用センサヘッド・ファイバユニット 総合カタログ |
780KB |
2025-06-12 |
製品カテゴリ
- 測域センサ
- 光電・レーザーセンサ
- 鉄鋼・クレーンセンサ
- 応用システム
- 光データ伝送装置
お役立ち情報