製品詳細
PRODUCT DETAIL
PH-DX/WX
鉄鋼・クレーンセンサCMD
アンプ内蔵CMD。堅牢なダイカストケースを採用し製鉄所、重工業での鋼材検出に最適な光電センサです。水冷ケースもラインアップ。
※型式については、型式一覧をご参照ください。
製品概要
特徴
検出距離30mの発光ダイオード式検出器です。
遮光時動作/入光時動作が切換え可能
受光余裕度を一目でチェック
受光量を5点のLEDで表示しておりますので受光余裕度が一目で判り、レンズ面の汚れ、光軸のずれ等が簡単にチェックできます。
型式一覧
| セット型式 | 投光器型式 | 受光器型式 | 出力形態 | フード | 制御/安定動作出力 |
| PH-DX-R-21 | PH-DX-2P-20 | PH-DX-2AR-21 | 接点 | 標準フード | 1a |
| PH-DX-M-21 | PH-DX-2AM-21 | フォトモスリレー | |||
| PH-DX-R-71 | PH-DX-2P-70 | PH-DX-2AR-71 | 接点 | エアレスフード | |
| PH-DX-M-71 | PH-DX-2AM-71 | フォトモスリレー | |||
| PH-WX-R-21 | PH-WX-2P-20 | PH-WX-2AR-21 | 接点 | 標準フード | |
| PH-WX-M-21 | PH-WX-2AM-21 | フォトモスリレー |
※投受光器セットでの販売のみ
製品仕様
| 種類 | 透過形光電センサ |
| 電源電圧 | AC/DCフリー電源。DC12~240VまたはAC24~240V(+10%、-15%) |
| 消費電力 | 交流電源:投光器0.5VA以下、受光器3VA以下 |
| 直流電源:投光器0.5W以下、受光器3W以下 | |
| 検出物体 | φ30mm以上の不透明体 |
| 検出距離 | 30m以下(投・受光器ともスリットなしの場合) |
| 制御出力 | 接点出力:AC250V 3A cosφ=1、DC30V 5A |
| 安定動作出力 | フォトモスリレー:AC/DC125V 100mA、残留電圧3V以下(100mA時) |
| 応答時間 | 接点出力:10ms以下、フォトモスリレー出力:3ms以下 |
| 動作モード | ライトON(入光時動作)/ダークON(遮光時動作)切換式 |
| 感度調整器 | 付 |
| 接続 | M3ネジ端子 |
| 表示灯 | 投光器:電源表示・・・緑色、テスト入力・・・黄色 |
| 受光器:電源表示・・・緑色、制御出力表示・・・黄色、 安定動作出力・・・緑色(正常時点灯)、レベルモニタ・・・黄色(5点) |
|
| 使用周囲照度 | 白熱電球:10,000lx |
| 使用周囲温度 | -10~+55℃※1(但し氷結・結露しないこと) |
| 使用周囲湿度 | 45~85%RH(但し氷結・結露しないこと) |
| 絶縁抵抗 | 20MΩ以上(電源・出力接点—ケース間 500V絶縁抵抗計による) |
| 耐電圧 | AC1,500V 1分間(電源・出力接点—ケース間) |
| 耐振動 | 10~55Hz、複振幅1.5mm、X・Y・Z各方向 各2時間 |
| 耐衝撃 | 500m/s2、X・Y・Z各方向 各10回 |
| 保護構造 | IP66(IEC規格)。但し、φ7.8~φ9.0のケーブル使用のこと |
| ケース材質 | アルミダイキャスト製 |
| 質量 | 投、受光器とも約1.5kg※2 |
※2:水冷タンク付 PH-WX-R-21・PH-WX-M-21は投、受光器とも約2.5kg
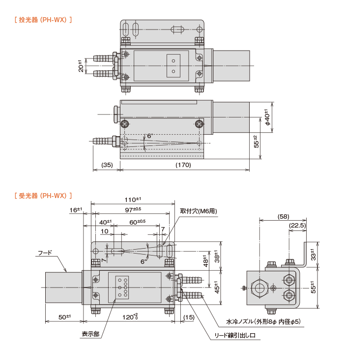
外形図
投光器・受光器共通(PH-DX)

PH-WX

入出力回路
投光器(全シリーズ共通)

受光器(PH-DX-2A□-□1)

制御出力

動作モードは内部スイッチにより切換え
安定動作出力

特性データ
動作余裕度特性

平行移動特性

各種ダウンロード
ダウンロードの前に
ファイルのダウンロードは会員様のみが可能です。
会員登録されていない場合は、「会員登録」ボタンより会員登録を行ってください。
既に会員の方は、下記の規約に同意いただき、「同意する」ボタンをクリックしてください。
会員登録されていない場合は、「会員登録」ボタンより会員登録を行ってください。
既に会員の方は、下記の規約に同意いただき、「同意する」ボタンをクリックしてください。
資料ダウンロード用使用許諾
弊社各種商品の製品仕様・図面資料・各種資料及びソフトウェアのダウンロードに際して、事前にご利用規約をお読みいただき、ご理解・ご同意の上でご利用いただくようお願い申し上げます。
ご同意いただけない場合、ダウンロードページへの登録・承認ができないことをご了承ください。(なお、本利用規約は予告なく変更することがございます。)
利用規約
- 知的財産権
-
- 当ウェブサイトに公開されている文章、データやソフトウェアなどのコンテンツ
(以下コンテンツという)の著作権およびその他の権利は、当社またはその供給者が有します。 - 当社が当ウェブサイトに掲載しているコンテンツの二次的利用(複製、転用、改変、解析、送信、譲渡、貸与、使用許諾、及び営業活動または営利を目的とする使用等)は、事前に承諾がない限り固く禁止いたします。各ダウンロードサイトやコンテンツに個別の使用条件を記載している場合は、それらの利用条件を本利用規約に優先させて適用させていただきます。
- 当社は当ウェブサイトによるコンテンツの提供により、コンテンツに含まれる発明、デザイン等に対する特許権、意匠権その他の知的財産権の譲渡または当該知的財産権に基づくいかなる権利の許諾を行うものではありません。
- 当ウェブサイトに公開されている文章、データやソフトウェアなどのコンテンツ
- 免責事項
-
当社は、当ウェブサイトに掲載した情報には細心の注意を払っておりますが、以下の点に責任を負うものではありません。
- 掲載された情報が常に最新版であり、適時適切に更新、または訂正されていること。
- 掲載された情報が正確で、有用で、安全であること。
- 当ウェブサイトの情報の変更、削除、公開の中断、中止等、ご利用になったことによるお客様に生じた損害。
- 当ウェブサイトの利用によって起きた一切の損害。
同カテゴリの他の製品を見る
製品カテゴリ
- 測域センサ
- 光電・レーザーセンサ
- 鉄鋼・クレーンセンサ
- 応用システム
- 光データ伝送装置
お役立ち情報





